- Interrupt is signals send by an external device to the processor, to request the processor to perform a particular task or work.
- Mainly in the microprocessor based system the interrupts are used for data transfer between the peripheral and the microprocessor.
- The processor will check the interrupts always at the 2nd T-state of last machine cycle.
- If there is any interrupt it accept the interrupt and send the INTA (active low) signal to the peripheral.
- The vectored address of particular interrupt is stored in program counter.
- The processor executes an interrupt service routine (ISR) addressed in program counter.
- It returned to main program by RET instruction.
Types of Interrupts:
It supports two types of interrupts.
- Hardware
- Software
1. Software interrupts:
- The software interrupts are program instructions. These instructions are inserted at desired locations in a program.
- The 8085 has eight software interrupts from RST 0 to RST 7. The vector address for these interrupts can be calculated as follows.
- Interrupt number * 8 = vector address
- For RST 5,5 * 8 = 40 = 28H
Vector addresses of all interrupts.

2. Hardware interrupts:
- An external device initiates the hardware interrupts and placing an appropriate signal at the interrupt pin of the processor.
- If the interrupt is accepted then the processor executes an interrupt service routine.
The 8085 has five hardware interrupts
- TRAP
- RST 7.5
- RST 6.5
- RST 5.5
- INTR
1.TRAP
· This interrupt is a non-maskable interrupt. It is unaffected by any mask or interrupt enable.
· TRAP bas the highest priority and vectored interrupt.
· TRAP interrupt is edge and level triggered. This means hat the TRAP must go high and remain high until it is acknowledged.
· In sudden power failure, it executes a ISR and send the data from main memory to backup memory.
· The signal, which overrides the TRAP, is HOLD signal. (i.e., If the processor receives HOLD and TRAP at the same time then HOLD is recognized first and then TRAP is recognized
· There are two ways to clear TRAP interrupt.
1. By resetting microprocessor (External signal)
2. By giving a high TRAP ACKNOWLEDGE (Internal signal)
2. RST 7.5:
· The RST 7.5 interrupt is a maskable interrupt.
· It has the second highest priority.
· It is edge sensitive. ie. Input goes to high and no need to maintain high state until it recognized.
· Maskable interrupt. It is disabled by
, 1.DI instruction System or processor reset.
2.After reorganization of interrupt.
· Enabled by EI instruction.
3. RST 6.5 and 5.5:
- The RST 6.5 and RST 5.5 both are level triggered. . ie. Input goes to high and stay high until it recognized.
- Maskable interrupt. It is disabled by,
-
- DI, SIM instruction
- System or processor reset.
- After reorganization of interrupt.
- Enabled by EI instruction.
- The RST 6.5 has the third priority whereas RST 5.5 has the fourth priority.
- INTR is a maskable interrupt. It is disabled by
-
- , 1.DI, SIM instruction
- 2.System or processor reset.
- 3.After reorganization of interrupt
- Enabled by EI instruction.
- Non- vectored interrupt. After receiving INTA (active low) signal, it has to supply the address of ISR.
- It has lowest priority.
- It is a level sensitive interrupts. ie. Input goes to high and it is necessary to maintain high state until it recognized.
The following sequence of events occurs when INTR signal goes high.
- The 8085 checks the status of INTR signal during execution of each instruction.
- If INTR signal is high, then 8085 complete its current instruction and sends active low interrupt acknowledge signal, if the interrupt is enabled.
- In response to the acknowledge signal, external logic places an instruction OPCODE on the data bus. In the case of multibyte instruction, additional interrupt acknowledge machine cycles are generated by the 8085 to transfer the additional bytes into the microprocessor.
- On receiving the instruction, the 8085 save the address of next instruction on stack and execute received instruction.
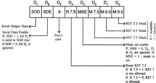
SIM and RIM for interrupts:
- The 8085 provide additional masking facility for RST 7.5, RST 6.5 and RST 5.5 using SIM instruction.
- The status of these interrupts can be read by executing RIM instruction.
- The masking or unmasking of RST 7.5, RST 6.5 and RST 5.5 interrupts can be performed by moving an 8-bit data to accumulator and then executing SIM instruction.

- 8 bit data to be loaded into the Accumulator
- The status of pending interrupts can be read from accumulator after executing RIM instruction.
- When RIM instruction is executed an 8-bit data is loaded in accumulator, which can be interpreted as shown in fig.
Format of 8 bit data in Accumulator after executing RIM Instruction
